This is the Linux app named myNetPCB whose latest release can be downloaded as myNetPCB_8_5.zip. It can be run online in the free hosting provider OnWorks for workstations.
Download and run online this app named myNetPCB with OnWorks for free.
Follow these instructions in order to run this app:
- 1. Downloaded this application in your PC.
- 2. Enter in our file manager https://www.onworks.net/myfiles.php?username=XXXXX with the username that you want.
- 3. Upload this application in such filemanager.
- 4. Start the OnWorks Linux online or Windows online emulator or MACOS online emulator from this website.
- 5. From the OnWorks Linux OS you have just started, goto our file manager https://www.onworks.net/myfiles.php?username=XXXXX with the username that you want.
- 6. Download the application, install it and run it.
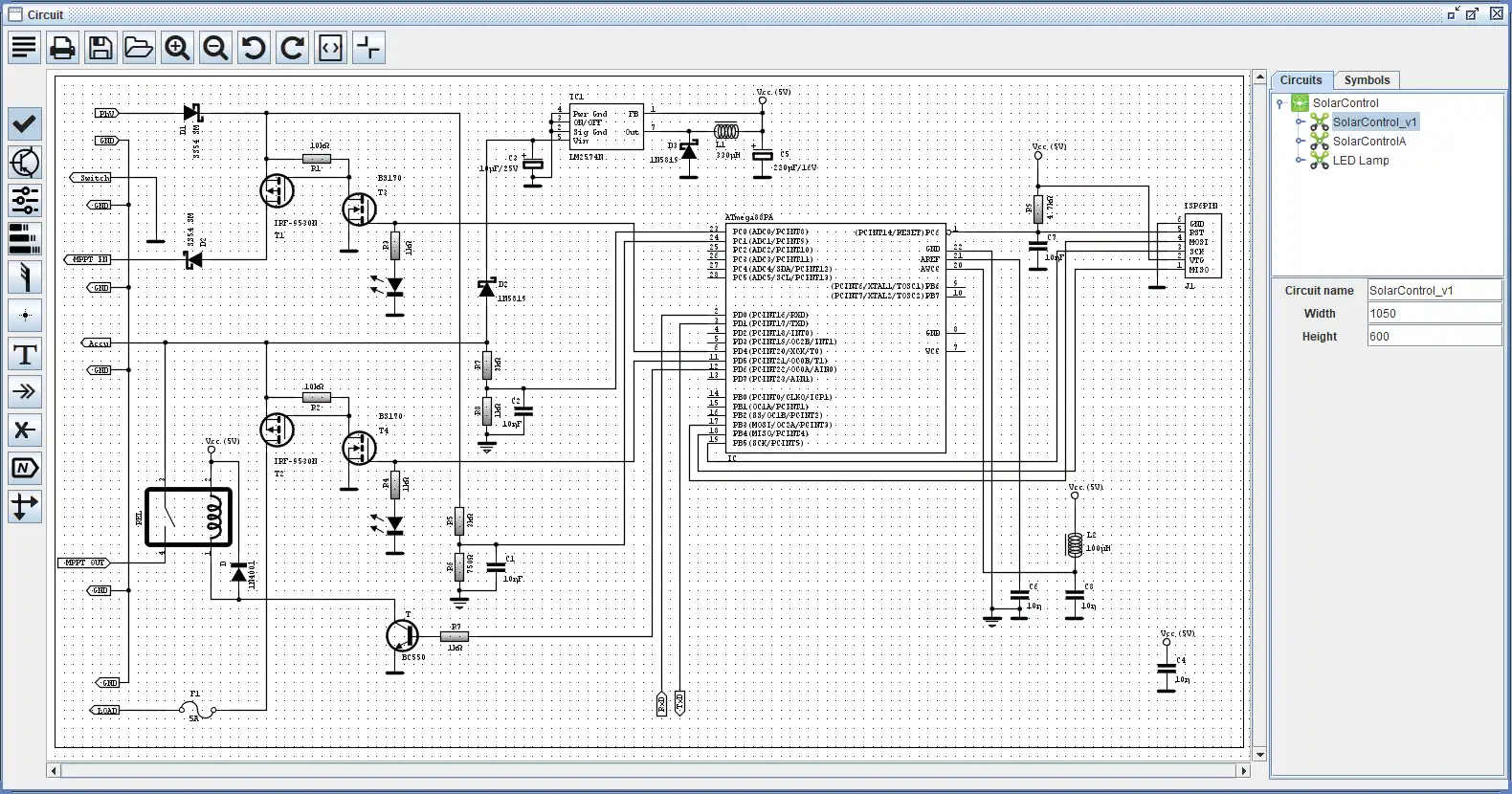
SCREENSHOTS
Ad
myNetPCB
DESCRIPTION
PCB Layout and Schematic capture tool for Win/Linux/Mac.
Source code at
https://github.com/sergei-iliev/myNetPCB
Features
- Design circtuis
- Design symbols
- Design footprints
- Design pcb boards
- Print pcb board out in real size for rapid pcb prototyping
- Export circuit/pcb board to image file
- Export to Gerber RS-274X/X2
User interface
Java Swing
Programming Language
Java
This is an application that can also be fetched from https://sourceforge.net/projects/mynetpcb/. It has been hosted in OnWorks in order to be run online in an easiest way from one of our free Operative Systems.





